销售服务
Sales Service
微信公众号
手机端-产品手册
挖机不能忘保养!日常保养攻略请收下!

日常繁忙的工程之余,也要时刻注意爱机的运转状况,悉心检查,按时保养。

检查液压油箱油位

1.挖掘机停在坚的水平地面上。降低动臂、伸出小臂并将铲斗降至地面上。

2.安全杆置于“锁定”位置,发动机油门调整到最小位置,使发动机处于最低转速。

3.打开右侧门检查油位,油位应在上下两标志线之间位置。

4.若油位低于“L”标志线,加注。

- 关闭发动机,清理液压油箱盖周边尘土。

- 液压油箱内的压力很高,缓慢拧松液压油箱盖泄压。

- 取下液压油箱上部盖并加油。

5.如果油位高于“H”标志,则适当放油。

- 关闭发动机,等待液压油完全冷却。

- 在油箱底部的放油阀接一根软管,将多余的油排到一个合适的容器中。

注意:

加油时油位不能高于“H”标志。加油过量会造成挖掘机损坏且油液会从液压油箱中泄漏。

按照当地规定的法规处理排出的油。

警告:

挖掘机正常工作后,液压油的温度会很高。要等整个液压系统完全冷却后,再维修液压部件。

液压油箱内的压力很高,缓慢拧松液压油箱盖泄压,然后才能安全的拆下注油口盖或上部盖。

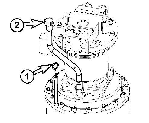
检查回转减速装置油位

1、拔出油标尺(1),用布把上面的油擦拭干净。

2、将油标尺(1)完全插入导管中。

2022094135_1651628495861.jpeg

3、拔出油标尺后,油位应该在油标尺的"HIGH"和"LOW"标志之间。

2022094135_1651628495808.jpeg

4、如果油位未达到油标尺的"L"标志, 通过加注口加油(2)

5、如果油位高于油标尺的"H"标志,打开排放阀的盖(3),接上软管(4),将多余的油排到一个合适的容器中。

2022094136_1651628496110.jpeg

注意:

每次使用油标尺检查油位前,都应把油标尺拔出擦拭干净。

警告:

设备工作后,齿轮油很热。关闭所有的操作系统并完全冷却。在拆卸马达检测螺塞等部件之前,先缓慢的拧松,释放内部的高压气体。

[x]